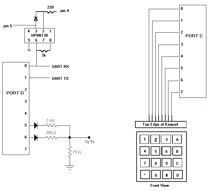
Appendix B: Schematics

Hardware Setup

UART Input and output to TV                         Keypad Circuit